Hei.
Satt her en kveld og tenkte, på det med 2 batteripakker. Har det både i 40% og 35% size begge uten powerbox, fungerer helt utmerket.
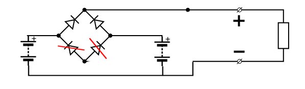
Men 2 batteripakker er vel litt bortkasta om de er paralellkobla uten noen form for skille. Var innom ei elektrosjappe her i dag, kjøpte ei likeretter bro ( dioder). Kosta bare 100 kroner og skulle klare 20 A. Det jeg lurer på er hva skjer om diodene blir overbelastet, vil de fortsette å levere strøm og bare "lekke" tilbake eller vil all ledningsevne bli brutt.
Mvh ToreG.
Satt her en kveld og tenkte, på det med 2 batteripakker. Har det både i 40% og 35% size begge uten powerbox, fungerer helt utmerket.
Men 2 batteripakker er vel litt bortkasta om de er paralellkobla uten noen form for skille. Var innom ei elektrosjappe her i dag, kjøpte ei likeretter bro ( dioder). Kosta bare 100 kroner og skulle klare 20 A. Det jeg lurer på er hva skjer om diodene blir overbelastet, vil de fortsette å levere strøm og bare "lekke" tilbake eller vil all ledningsevne bli brutt.
Mvh ToreG.
Comment