Unconfigured Ad

Collapse

4V pr. motor i mpx cargo på 8,4V batteri?

Collapse
X
 
  • Time
  • Show
Clear All
new posts
  • jørgen123
    • Jul 2005
    • 706

    #1

    4V pr. motor i mpx cargo på 8,4V batteri?

    hei!
    jeg har en mpx cargo, og var på jomfruturen i går. da jeg skulle ta av akselererte flyet veldig sakte. jeg brydde meg ikke noe særlig om dette siden jeg ikke viste hvordan det skulle være. men det var rart, for det er jo et firemototrs elektrofly

    flyet kom seg i luften men fløy på stallgrensen helt fra takeoff til nødlanding i noe gress utenfor banen.

    jeg mistenker å ikke ha full thrust på motorene, men vet ikke. flyet var balansert helt på millimeteren

    av utstyr har jeg: 8,4V Ni-Mh batteri på 3000mah
    4x 6V permax 400 motorer med gear
    30-40 A fartregulator
    motakerbatteri på 500 mah

    hadde nå trodd at det skulle være greit med dette utstyret. det var dette butikken anbefalte
    Jørgen Wake Stensen
    Bodø MFK
    Man blir aldri bedre uten utfordringer og trening!
  • joo
    MFN Skribent
    • Nov 2002
    • 6936

    #2
    Hva slags girutveksling, hva slags propellere og vekta på flyet?

    Hvis du for eksempel har giret 4,1:1 og bruker 10x7 propellere burde du teoretisk ha ei trekkraft på nesten 1,8 kilo og dra 32 Ampere. Ei 3-kilos kjerre burde fly OK på dette.
    Absolutt ikke NLF-medlem lenger!

    Comment

    • jørgen123
      • Jul 2005
      • 706

      #3
      hei.

      propellen er en 7x6,5"

      vekta er på ca.2 kg

      utvekslingen er 2,3:1
      Jørgen Wake Stensen
      Bodø MFK
      Man blir aldri bedre uten utfordringer og trening!

      Comment

      • jørgen123
        • Jul 2005
        • 706

        #4
        hei.

        jeg tror ikke det er propellen eller gearene det er noe med.

        kan det ha noe med fartsregulatoren??? jeg har også en mpx Pico cub med samme samme gear, motor, propell, regulator, 8,4 V batteri, jeg synes den har høyere turtall enn cargoen.
        Jørgen Wake Stensen
        Bodø MFK
        Man blir aldri bedre uten utfordringer og trening!

        Comment

        • joo
          MFN Skribent
          • Nov 2002
          • 6936

          #5
          Nei mistenkte ikke girene, bare det at for å finne propellstørrelsen som er best må man vite utvekslingen på motorene.

          Men så er jeg dessverre ikke særlig dus med den utvekslinga du har, propellene passer nok brukbart tror jeg. Størrelsen mellom det beste for direktedrift og ei 4,1:1 utveksling...

          3000NiMh-batterier skal levere 30 ampere greit, så er du i det området skal det fungere. Hvordan er det med kabler, har du lange tynne kabler i systemet ditt? Det kan redusere spenningene drastisk.

          Som nevnt bør oppsettet ditt med 4 motorer dra ca. 30 ampere for at motorene skal jobbe i det området som er effektivt. Kan du få målt strømtrekket fra batteriet? Tangamperemeter er bra. Det viktige er at motorene har ideell belastning i forhold til spenningen.

          Vanskelig å si ellers. Klart regulatoren kan være ei begrensning, men det er så mange andre faktorer her.
          Absolutt ikke NLF-medlem lenger!

          Comment

          • jørgen123
            • Jul 2005
            • 706

            #6
            hei!
            jeg har et sinnsykt lednings vas i flyet, men det er ikke så veldig tynne ledninger og de fleste går til mottakeren siden det er 5 servoer i flyet

            det kan kanskje ha noe med at ut fra fartrsregulatoren er ledningene splittet i to for og gå til vestre og høyre vinge. etter det er de splittet enda en gang for å gå til den ytterste motoren og den innerste motoren

            fra fartsregulatoren til de ytterste motorene er det ca. en halv meter med ledninger, og til de innerste ca. 30 cm
            Jørgen Wake Stensen
            Bodø MFK
            Man blir aldri bedre uten utfordringer og trening!

            Comment

            • jørgen123
              • Jul 2005
              • 706

              #7
              Hei.

              nå har jeg kjøpt et multimeter og jeg målte spenningen på hver motor og den va på mellom 4 og 4,6 volt alt etter hvilken motor det var.
              slik skal det nå ikke være???
              spenningen ble målt der ledningene er loddet på motoren.

              målte spenningen på batteriet etterpå, den var på 7,02 volt
              Jørgen Wake Stensen
              Bodø MFK
              Man blir aldri bedre uten utfordringer og trening!

              Comment

              • tyor
                • Mar 2005
                • 9757

                #8
                får du til å måle spenningen ut fra regulatoren, for å sjekke om tapet er i ledningene til motorene. høres nesten ut som om det er regulatoren som er problemet. er det noen form for instillinger på den?
                Tom Nohr
                Tennisveien 9
                2450 Rena

                Frsky taranis 9+
                Turnigy H.A.L. hexacopter. m/naza.m og nex5r
                Fieseler storch fra black horse m/ngh gf38
                + diverse små ting

                Comment

                • sigve
                  • Apr 2005
                  • 484

                  #9
                  hei

                  er du sikker på at du har koblet riktig? det kan høres ut som noen av motorene er koblet i serie, alle motorene skal være koblet i paralell, ellers vil de yte mye mindre fordi det bare ligger halv spenning på de (ca 4,5V)

                  Si ifra hvis du vil ha et skjema over hvordan motorene skal kobles.

                  Sigve
                  Sigve Haugsnes

                  Alt flyr.....det trenger bare stor nok motor


                  sigve.haugsnes.net
                  www.youtube.com/bergenflyer

                  Comment

                  • jørgen123
                    • Jul 2005
                    • 706

                    #10
                    Hei.

                    motorene er koblet parallelt.

                    det er heller ingen form for instilinger på regulatoren, den er digital og må programeres.

                    kan prøve å måle spenningen ut fra regulatoren.
                    (dere blir sikkert ikke å høre fra meg før om ca. 10 dager, skal fly Cuben nå, drar på ferie i morgen tidlig)
                    Jørgen Wake Stensen
                    Bodø MFK
                    Man blir aldri bedre uten utfordringer og trening!

                    Comment

                    • jørgen123
                      • Jul 2005
                      • 706

                      #11
                      hei.

                      kunne godt tengt meg et koblings sjema over hvordan motorene skal kobles sigve.
                      Jørgen Wake Stensen
                      Bodø MFK
                      Man blir aldri bedre uten utfordringer og trening!

                      Comment

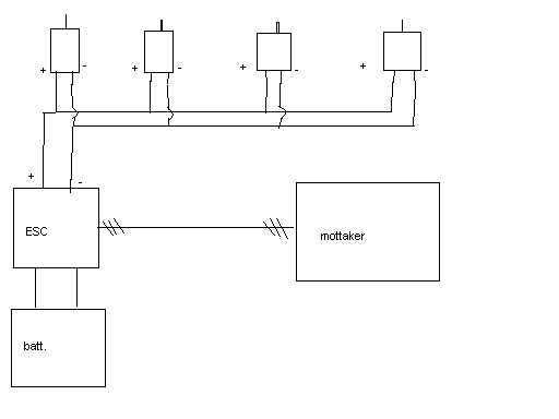
                      • tyor
                        • Mar 2005
                        • 9757

                        #12
                        hei. det nå vel bare bli slik.
                        Attached Files
                        Tom Nohr
                        Tennisveien 9
                        2450 Rena

                        Frsky taranis 9+
                        Turnigy H.A.L. hexacopter. m/naza.m og nex5r
                        Fieseler storch fra black horse m/ngh gf38
                        + diverse små ting

                        Comment

                        • sigve
                          • Apr 2005
                          • 484

                          #13
                          hei. det nå vel bare bli slik.
                          jepp

                          sigve
                          Sigve Haugsnes

                          Alt flyr.....det trenger bare stor nok motor


                          sigve.haugsnes.net
                          www.youtube.com/bergenflyer

                          Comment

                          • jørgen123
                            • Jul 2005
                            • 706

                            #14
                            hei.
                            Takk for skjemaet!

                            det er ikke rigtig slik motorene er koblet i mitt oppsett, kan prøve å lage et koblingssjema over hvordan mororene er koblet nå.
                            Jørgen Wake Stensen
                            Bodø MFK
                            Man blir aldri bedre uten utfordringer og trening!

                            Comment

                            • JS-PER
                              • Apr 2003
                              • 141

                              #15
                              Har samme flyet

                              Hei. Gratulerer med en artig modell.

                              Har samme flyet, med originalt tilbehør. Kraft i massevis der.
                              Feil med gear/propell er utelukket så lenge du har montert riktig, siden dette er originalt ekstrautstyr.
                              Ang. Ledningene til motorene; denne er da virkelig kraftig? Skikkelige kontakter og god kvadrant. Kan ikke stemme at det skal ligge så stort spenningsfall i den.
                              Får du riktig instilling på regulatoren da? Har ikke mye peiling på regulatorer, men får du kalibrert den riktig til ytterpunktene på trottelen?

                              Ellers kan jeg også nevne at de fire-fem første turene mine endte på samme måte; stall rett etter take-off, og en serie nødlandinger. Jeg manglet rett og slett trening med denne typen fly.
                              Men; FYTTE RAKKERN så artig det er nå! Originale fallskjermhoppere er et must til lasteluka
                              Attached Files
                              Hvorfor sitter du ved PCen? -Kom deg ut og fly!
                              Jesper Stærkær

                              Comment

                              Working...